Использование магнитного пускателя
Применение схемы подключения электродвигателя 380 через пускатель хорошо тем, что пуск производить можно дистанционно. Преимущество пускателя перед рубильником (или другим устройством) в том, что пускатель можно разместить в шкафу, а в рабочую зону вынести элементы управления, напряжение и токи при этом минимальны, следовательно, провода подойдут меньшего сечения.
Помимо этого, подключение с использованием пускателя обеспечивает безопасность в случае, если «пропадает» напряжение, поскольку при этом происходит размыкание силовых контактов, когда же напряжение вновь появится, пускатель без нажатия пусковой кнопки его не подаст на оборудование.
Схема подключения пускателя асинхронного двигателя электрического 380в:

На контактах 1,2,3 и пусковой кнопке 1 (разомкнутой) напряжение присутствует в начальный момент. Затем оно подается через замкнутые контакты этой кнопки (при нажатии на «Пуск») на контакты пускателя К2 катушки, замыкая ее. Катушкой создается магнитное поле, сердечник притягивается, контакты пускателя замыкаются, приводя в движение мотор.
Одновременно с этим происходит замыкание контакта NO, с которого подается фаза на катушку через кнопку «Стоп». Получается, что, когда отпускают кнопку «Пуск», цепь катушки остается замкнутой, как и силовые контакты.
Нажав «Стоп», цепь разрывают, возвращая размыкая силовые контакты. С питающих двигатель проводников и NO исчезает напряжение.
Видео: Подключение асинхронного двигателя. Определение типа двигателя.
Типичные случаи соединений в звезду и треугольник генераторов, трансформаторов и электроприемников рассмотрены в статьях “Схема соединения “Звезда ” и “Схема соединения “Треугольник “. Остановимся теперь на важнейшем вопросе о мощности
при соединениях в звезду и треугольник, так как для работы каждого механизма, приводимого в действие электродвигателем или получающего питание от генератора или трансформатора, в конечном итоге важна именно мощность
.
В сетях переменного тока различают: полную (кажущуюся) мощность S
= E
× I
или S
= U
× I
; активную мощность P
= E
× I
× cos φ
или P
= U
× I
× cos φ
; реактивную мощность Q
= E
× I
× sin φ
или Q
= U
× I
× sin φ
, где Е
– электродвижущая сила (э. д. с.); U
– напряжение на зажимах электроприемника; I
– ток; φ – угол сдвига фаз между током и напряжением 1 .
При определении мощности генераторов в формулы входят э. д. с, при определении мощности электроприемииков – напряжения на их зажимах. При определении мощности электродвигателей учитывают также коэффициент полезного действия, так как на табличке электродвигателя указывается мощность на его валу.
Если мощности фаз S
a (P
a , Q
a); S
b (P
b , Q
b); S
c (P
c , Q
c) одинаковы и соответственно равны S
ф, P
ф и Q
ф, то мощность трехфазной системы, выраженная через фазные величины, равна сумме мощностей трех фаз и составляет: полная S
= 3 × S
ф; активная P
= 3 × P
ф; реактивная Q
= 3 × Q
ф.
Особенности «звездного» соединения
Все три обмотки имеют по 2 вывода – начальный и конечный. В итоге имеем 6 контактов электродвигателя, которые необходимо подсоединить к трехфазной сети. Подключение электродвигателя «звездой» подразумевает объединение конечных выводов в единую нейтраль, для чего применяется перемычка. Начала обмоток соединяют с соответствующими фазами электросети с электропитанием уровня 380 или 660 В.

К преимуществам такого способа соединения можно отнести:
- длительную работу силового агрегата без перерывов;
- увеличение эксплуатационного периода техники, повышение ее надежности;
- плавный, щадящий пуск;
- устойчивость к коротким перегрузкам;
- минимальный нагрев корпуса в процессе работы.
В некоторых моделях техники обмотки со стороны концевых выводов соединены изначально. Эта конструктивная особенность не позволяет применять другие способы организации – доступ есть только к начальным клеммам. Такой подход ограничивает варианты соединения, однако упрощает процесс подключения. Для его выполнения не потребуется особых навыков и специального образования.
Почему при подключении звездой, ток не становится меньше (при неизменной нагрузке)
При соединении обмоток электродвигателя треугольником фазный ток в 1.73 раза меньше линейного.
Давайте приведу пример: На шильдике электродвигателя указан
ток 30А при соединении обмоток треугольником и напряжением 380 вольт. 30 ампер
– это линейный ток, значит, чтобы
получить фазный, нам надо 30/1.73. В итоге фазный ток равен 17,3 Ампера. Т.е.
номинальный ток для обмотки двигателя 17,3 Ампера.
А теперь мы переключим двигатель с треугольника на звезду, но нагрузка на валу двигателя остаётся таже самая.
При соединении электродвигателя звездой линейный ток будет
равен фазному. Напряжение на обмотке уменьшится в 1.73 раза. Следовательно на
обмотку будет подаваться уже не 380 вольт, а 220.
В результате по обмотке будет протекать не 17,3 А, а целых
30 Ампер. Почему?
Потому что ток будет компенсировать падение напряжения на обмотке, которое у нас упало в 1,73 раза. Значит ток вырастит в 1,73 раза. Двигатель греется и если отсутствует защита – сгорает. А двигатель стоит немалых денег, поэтому Вы должны знать как подключить асинхронный двигатель!
Еще один пример для понимания
Обратите внимание на следующий шильдик электродвигателя:
Электродвигатель треугольник/звезда: 220 вольт/380 вольт:
38,3/22,2 Ампера.
Соединяем двигатель треугольником и подаём напряжение 220 вольт. Ток (линейный) по шильдику равен 38,3 Ампер. Следовательно, фазный будет равен 38,3/1,73= 22,2 Ампер. Т.е мы определили, что фазный номинальный ток для обмотки = 22,2 Ампер. Поехали дальше…
А теперь соединяем обмотки электродвигателя звездой и подаём напряжение 380 Вольт. Ток будет равен 22,2 Ампер. В звезде линейный ток равен фазному току.
Вывод:
При треугольнике и питающем напряжении 220 вольт, фазный ток равен 22,2 Ампер.
При звезде и питающем напряжении 380 вольт, фазный ток равен 22,2 Ампер. Следовательно мощность у двигателя будет одинаковая при таких подключениях.
А, что если мы соединим этот двигатель звездой и подадим напряжение 220 вольт. На обмотку будет приходиться уже 127 Вольт. Поэтому ток будет компенсировать падение напряжение на обмотке в 1,73 раза и будет равен 38,3 Ампер. А обмотка у нас рассчитана на 22,2 Ампер. Двигатель сгорит.
Что такое – соединение звездой и треугольником
Подключение двигателя с обмоткой представляет собой последовательное соединение проводов в трехфазной электросети. Результатом обмотки становится получение замкнутой электрической сети.
Структура подключения проводов – это удобные варианты обмотки, применяемые для электродвигателей, трансформаторов и другого электрооборудования.
Принцип работы схемы
Электродвигатель представлен рабочими обмотками. Каждый из них имеет начальную, а также конечную точку, то есть у них есть начало и конец. Концы всех элементов соединяют в одну общую точку, которой дают название «нейтральной».

Особенности обмотки звездой:
- безостановочная работа двигателя, благодаря устойчивому длительному режиму подключения;
- надежность и долговечность, благодаря снижению мощности оборудования;
- наличие плавного пуска;
- отсутствие перегрева корпуса в процессе эксплуатации.
Если для оборудования характерно выведение на колодку только 3 проводов, то соединить можно самостоятельно, не прибегая к услугам грамотных специалистов.
Мнение эксперта
Карнаух Екатерина Владимировна
Закончила Национальный университет кораблестроения, специальность “Экономика предприятия”
Треугольник представляет собой последовательное соединение начала с концом обмотки провода, затем конца с началом следующего участка. По аналогии соединяют другие провода, итогом становится обмотка фазы, которая замыкает электрическую цепь. Соединение в виде треугольника каждой из обмоток предполагает наличие напряжения, равного 220 или 380 В.
Основные свойства треугольника:
- возможность увеличить мощность электрооборудования до предельных значений;
- возможность дополнительно использовать пусковой реостат;
- повышение вращающегося момента;
- наличие больших тяговых усилий.
Следует заметить, что при использовании этой схемы длительная работа двигателя заставляет его сильнее нагреваться.
Сферы применения
О вариантах создания замкнутой электрической сети больше могут рассказать профессиональные электрики. Типы соединений используют в электродвигателях, генераторах, силовых трансформаторах, любых устройствах, связанных с подачей электрического тока.
Как определить тип соединения
Самый простой способ определения типа организации – это подсчет проводов. Если от двигателя выходит только 3 провода, то использована схема звезда. Треугольник чаще монтируют таким образом, чтобы вывести 6 проводов. Кроме того, схемы полностью повторяют очертания фигур, по которым даны названия.
Плюсы и минусы соединений при подключении двигателя
Чтобы подключить трехфазный асинхронный электродвигатель, необходимо понять, к какой группе он относится. При использовании двигателя с показателями от 220 до 380 В применяют обмотку треугольником. Если граница выше 380 В, то применяют обмотку звездой.

Звезда, треугольник — определения
В зависимости от способа соединения обмоток генератора и нагрузки различают соединения звездой и треугольником. Каждая фазная обмотка генератора имеет два вывода, которые условно называют началом и концом. За начало обмотки принимается тот вывод, к которому направлена положительная ЭДС.

При соединении звездой концы всех фаз генератора соединяют в один узел. Его называют нейтральным узлом или нейтральной точкой. Нейтральные точки генератора и нагрузки часто соединяют нейтральным (нулевым) проводом. Остальные провода, соединяющие обмотки генератора с приемником, называют линейными.

При соединении треугольником начало одной фазной обмотки соединяют с концом следующей так, чтобы три обмотки образовали замкнутый треугольник.
На практике используют различные комбинации соединения фаз генератора и нагрузки: звезда-звезда, звезда-треугольник, треугольник-треугольник. Есть и комбинации с зигзагом, но в данном обзоре мы из затрагивать не будем.
Напряжения и токи в фазах генератора и нагрузки называют фазными и обозначают Uф, Ia. Напряжения между линейными проводами и токи в них называют линейными и обозначают Uл, Iл. Из рассмотренных выше схем следует, что при соединении звездой Iл = Iф, а при соединении треугольником Uл = Uф.
Если обмотки источника питания 220 Вольт соединены треугольником, соответственно фазные и линейные напряжения равны 220 Вольт. Соотношения же между линейными и фазными напряжениями при соединении звездой уже иные. Найти их можно при помощи векторной диаграммы или методом анализа синусоид трех фаз, как показано в следующем ролике:
Расчет линейного напряжения по векторам сводиться к анализу равнобедренного треугольника с углами при основании 30°. Также можно рассчитать разность векторов через комплексные числа. Подробно на данных способах останавливаться не будем. Отметим лишь следствие — при соединении звездой линейное напряжение Uл = √3 × Uф (380 = √3 × 220).
Подключение двигателя звездой или треугольником
После рассмотрения схем соединения обмоток трансформатора, важно не запутаться с напряжениями и токами применительно к асинхронным трехфазным двигателям, подключенным звездой или треугольником. Поэтому лучше сразу абстрагироваться от предыдущих схем
Начать рассмотрения особенностей подключения асинхронного двигателя нужно с его паспортных данных:
| Номинальная мощность | Pном, кВт |
| Номинальное напряжение (треугольник/звезда) | Uном, В |
| Номинальная частота тока | f, Гц |
| Номинальная частота вращения | nном, об/мин |
| Номинальный КПД | ηном, % |
| Номинальный коэффициент мощности | cosφном, д.е. |
| Кратность максимального момента | Ммакс/Мном |
| Кратность пускового момента | Мпуск/Мном |
И здесь нас интересует номинальное напряжение трехфазного источника электроэнергии, к которому подключается асинхронный двигатель при разном способе соединения фаз обмотки статора.
Если обратить внимание на приведенную выше табличку на корпусе двигателя, то 220/380 В означает, что при соединении фаз обмотки способом «звезда» двигатель подключается к трехфазному источнику напряжением 380 В, а при соединении «треугольником» — 220 В. И здесь главное не запутаться и все правильно понять
220 Вольт указанные на табличке — это линейное напряжение, а не фазное из розетки. Поэтому такой двигатель нельзя соединять треугольником к трем фазам с линейным напряжением 380 Вольт, которое имеется повсеместно. Необходимо именно линейное напряжение 220 Вольт, которому соответствует фазное напряжение 127 Вольт. При этом, если имеется линейное напряжение 220 Вольт, то рассмотренный выше двигатель можно подключить по схеме звезда, но его мощность упадет в три раза. И дальше мы этот факт подробно разберем.
При соединении обмоток двигателя в звезду линейные токи I и фазные токи Iф равны, а между фазными и линейными напряжениями существует соотношение U = √3 × Uф, откуда Uф = U / √3. Соответственно получим следующие формулы определения мощности:
- Полная S = 3 × Sф = 3 × (U / √3) × I = √3 × U × I.
- Активная P = √3 × U × I × cos φ;
- Реактивная Q = √3 × U × I × sin φ.
При соединении обмоток двигателя в треугольник линейные напряжения U и фазные напряжения Uф равны, а между фазными и линейными токами существует соотношение I = √3 × Iф, откуда Iф = I / √3. Соответственно получим следующие формулы определения мощности:
- Полная S = 3 × Sф = 3 × U × (I / √3) = √3 × U × I.
- Активная P = √3 × U × I × cos φ.
- Реактивная Q = √3 × U × I × sin φ.
Как видно формулы определения мощности при разных способах соединения обмоток одинаковые. И может показаться, что никакой разницы в мощности между звездой и треугольником нет. Так откуда взялось упоминавшееся выше падение мощности в три раза. Весь секрет кроется в соотношениях напряжения и силы тока. И для наглядности просчитаем мощности для уже рассмотренного асинхронного двигателя с маркировкой на табличке треугольник/звезда (220/380 В, 8,3/4,8 А).
Сначала нам нужно подключить обмотки двигателя по схеме треугольник. Для этого потребуется линейное напряжение 220 Вольт. Рассчитаем полную мощность:
Sтреугольник = √3 × U × I = √3 × 220 × 8,3 = 3163 В×А.
Теперь подключим обмотки по схеме звезда. Линейное напряжение остается прежним 220 Вольт
И здесь важно понимать, что по сравнению с указанными на табличке 380 Вольтами для звезды, при линейном напряжении 220 Вольт на каждую фазную обмотку придется в 1,73 (√3) раза более низкое напряжение. Более низкое напряжение приведет к тому, что ток в обмотках уменьшится в 1,73 раза
Соответственно при расчете силу тока 4,8 А нужно будет разделить на √3. Теперь рассчитаем полную мощность:
Sзвезда = √3 × U × I/√3 = √3 × 220 × 4,8/√3 = 1056 В×А.
Как видно из примера, при пересоединении электродвигателя с треугольника в звезду и питании его от той же электросети мощность, развиваемая электродвигателем, снижается в 3 раза. И наоборот, если электродвигатель переключить со звезды в треугольник, мощность резко возрастает, но при этом электродвигатель, если он не предназначен для работы при данном напряжении и соединении в треугольник, быстро выйдет из строя. Для того чтобы добиться одинаковой мощности, линейное напряжение при подключении звездой должно быть в √3 раз больше линейного напряжения, рассчитанного для треугольника, что и указывается в паспортных данных электродвигателя.
Что происходит при переключении со звезды в треугольник и обратно в наиболее распространенных случаях?
Оговариваем, что речь идет не о внутренних пересоединениях (которые выполняют в заводских условиях или в специализированных мастерских), а о пересоединениях на щитках аппаратов, если на них выведены начала и концы обмоток. 1. При переключении со звезды в треугольник обмоток генераторов или вторичных обмоток трансформаторов
напряжение в сети понижается в 1,73 раза, например с 380 до 220 В. Мощность генератора и трансформатора остается такой же. Почему? Потому что напряжение каждой фазной обмотки остается таким же и ток в каждой фазной обмотке такой же, хотя ток в линейных проводах возрастает в 1,73 раза.
При переключении обмоток генераторов или вторичных обмоток трансформаторов с треугольника в звезду
происходят обратные явления, то есть линейное напряжение в сети повышается в 1,73 раза, например с 220 до 380 В, токи в фазных обмотках остаются теми же, токи в линейных проводах уменьшаются в 1,73 раза.
Значит, и генераторы и вторичные обмотки трансформаторов, если у них выведены все шесть концов, пригодны для сетей на два напряжения, отличающихся в 1,73 раза.
2. При переключении ламп со звезды в треугольник
(при условии их присоединения к той же сети, в которой лампы, включенные звездой, горят нормальным накалом) лампы перегорят.
При переключении ламп с треугольника в звезду
(при условии, что лампы при соединении в треугольник горят нормальным накалом) лампы будут давать тусклый свет. Значит, лампы, например, на 127 В в сеть напряжением 127 В должны включаться треугольником. Если же их приходится питать от сети 220 В, необходимо соединение в звезду с нулевым проводом (подробнее смотрите статью “Схема соединения “Звезда “). Соединять в звезду без нулевого провода можно только лампы одинаковой мощности, равномерно распределенные между фазами, как, например, в театральных люстрах.
3. Все сказанное о лампах относится и к сопротивлениям
, электрическим печам
и тому подобным электроприемникам.
4. Конденсаторы
, из которых собирают батареи для повышения cos φ
, имеют номинальное напряжение, которое указывает напряжение сети, к которой конденсатор должен присоединяться. Если напряжение сети, например, 380 В, а номинальное напряжение конденсаторов 220 В, их следует соединять в звезду. Если напряжение сети и номинальное напряжение конденсаторов одинаковы, конденсаторы соединяют в треугольник.
5. Как объяснено выше, при переключении электродвигателя с треугольника в звезду
мощность его снижается примерно втрое. И наоборот, если электродвигатель переключить со звезды в треугольник
, мощность резко возрастает, но при этом электродвигатель, если он не предназначен для работы при данном напряжении и соединении в треугольник, сгорит
.
Способы переключения схем «звезда»-«треугольник»
Конструкция большинства электродвигателей позволяет выполнять переключение из одной схемы соединения в другую. Для этого начала и концы обмоток выведены на терминал так, чтобы простым изменением положения накладок можно было из «звезды» сделать «треугольник» и наоборот.

Владелец электродвигателя сам может выбрать, что ему необходимо – мягкий старт с небольшими пусковыми токами и плавная работа или наибольшая мощность, развиваемая двигателем. Если нужно и то, и другое, можно производить переключение автоматически с помощью мощных контакторов.

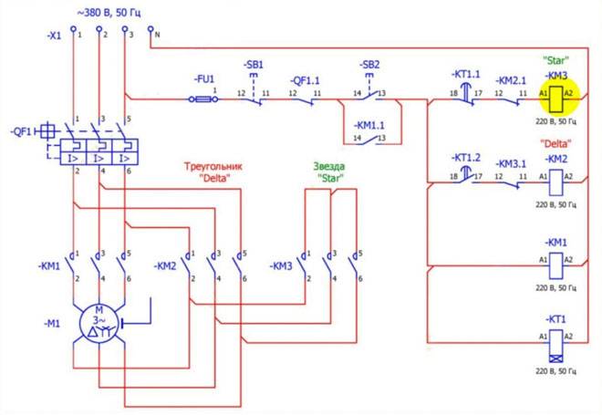
При нажатии пусковой кнопки SB2, электродвигатель включается по схеме «звезда». Контактор KM3 подтянут, его контакты замыкают между собой выводы обмоток электродвигателя с одной стороны. Противоположные выводы подключаются к сети, каждый к своей фазе через контакты КM1. Если этот контактор включен, трехфазное напряжение подается на обмотки и ротор электромотора приводится во вращение. После некоторого времени, установленного на реле KT1, происходит переключение катушки КM3, она обесточивается, включается контактор KM2, переключая обмотки в «треугольник».
Переключение происходит после того, как двигатель набрал обороты. Этот момент можно контролировать по датчику частоты вращения, но на практике все делается проще. Переключением управляет реле времени – через 5-7 секунд считается, что пусковые процессы завершены, и можно включать двигатель в режим максимальной мощности. Затягивать этот момент не стоит, так как длительная работа с превышением допустимой для «звезды» нагрузки может привести к выходу электропривода из строя.
При реализации такого режима надо помнить следующее:
Пусковой момент двигателя с обмотками, подключенными «звездой» значительно ниже значения этой характеристики электромотора с соединением «треугольник», поэтому запуск электродвигателя с тяжелыми пусковыми условиями таким способом не всегда возможен. Он просто не придет во вращение. К таким случаям относятся электроприводные насосы, работающие с противодавлением и т.п. Подобные проблемы решают с помощью двигателей с фазным ротором, плавно увеличивая ток возбуждения при пуске. Успешно пуск «звездой» применяется при работе с центробежными насосами, работающими на закрытую задвижку, в случае вентиляторных нагрузок на валу двигателя и т.п.
Обмотки электромотора должны выдерживать линейное напряжение сети
Важно не путать электродвигатели D/Y 220/380 вольт (обычно, маломощные асинхронники до 4 кВт) и D/Y 380/660 вольт (обычно, 4 кВт и выше). Сеть 660 вольт практически нигде не используется, но для переключения «звезда-треугольник» можно применять только электромоторы с таким номинальным напряжением
Привод на 220/380 в трехфазную сеть включается только «звездой». В схеме переключения их использовать нельзя.
Должна выдерживаться пауза между выключением «звездного» контактора и включением «треугольного», чтобы избежать накладок. Но увеличивать её сверх меры нельзя, чтобы не допустить остановки электродвигателя. При самостоятельном изготовлении схемы её, возможно, потребуется подобрать экспериментально.
Применяется и обратное переключение. Оно имеет смысл, если мощный двигатель временно работает с небольшой нагрузкой. При этом его коэффициент мощности невысок, потому что активная потребляемая мощность определяется уровнем загрузки электродвигателя. Реактивная же, в основном, определяется индуктивностью обмоток, которая не зависит от нагрузки на валу. Для улучшения соотношения потребляемых активной и реактивной мощностей, можно переключить обмотки в схему «звезда». Это также можно делать вручную или автоматически.
Схема переключения может быть собрана на дискретных элементах – реле времени, контакторах (пускателях) и т.п. Выпускаются и готовые технические решения, объединяющие схему автоматического переключения в одном корпусе. Надо лишь подключить к выходным клеммам электродвигатель и питание от трехфазной сети. Такие устройства могут носить разные названия, например «пусковое реле времени» и т.п.
Включение обмоток электродвигателя по разным схемам имеет свои преимущества и недостатки. Основой грамотной эксплуатации является знание всех плюсов и минусов. Тогда двигатель прослужит долго, принося максимальный эффект.
Реле времени: типы, применение, принцип работы
Как подключить 3 фазный электродвигатель к сети 220 вольт через конденсатор
Проверка электродвигателей разного вида с помощью мультиметра
Что такое фазное и линейное напряжение?
Что такое электромагнитное реле, их виды и принцип работы
Что такое реле напряжения и для чего оно нужно в квартире
Принцип работы
К началу обмоток проходит ток на три фазы. Он поступает через силовые контакты магнита первого элемента. Контакты третьего пускателя включают его, замыкают концы обмоток, которые соединяются звездой.
Затем включается реле времени первого пускателя, третий выключается, а второй включается. Контакты К2 замыкают, напряжение поступает на концы обмоток. Это и есть включение треугольником.
Различные производители изготавливают реле пуска, необходимое для запуска электродвигателя. Они отличаются внешне, по названию, но выполняют одинаковую функцию.
Некоторые виды моторов не предназначены для работы от бытовой сети. Поэтому выбирая прибор для дома, предпочтение следует отдать двигателям с короткозамкнутыми роторами.
По номинальному питанию отечественные электродвигатели делятся на два типа: мощностью 220 — 127 вольт и 380 — 220 вольт. Первый тип электромоторов небольшой мощности применяется нечасто. Вторые устройства имеют широкое распространение.
При монтаже электродвигателя любой мощности действует определенный принцип: устройства с низкой мощностью подключается по схеме треугольник, а с высокой соединяются звездой. Электропитание 220 поступает на сводку треугольником, напряжение 380 идёт на соединение звездой. Это обеспечит долгую и качественную работу механизма.
https://youtube.com/watch?v=3qW-dm8uyCc
Рекомендованная схема для подключения двигателя значится в техническом документе. Значок △ означает соединение в этой же форме. Буква Y указывает на рекомендуемую схему подключения звездой. Характеристики многочисленных элементов обозначены цветами, в связи с их маленькими габаритами. По цвету читается, например, номинал, сопротивление. Если стоят оба знака, то соединение возможно переключением △ и Y. Когда стоит одна определенная маркировка, например, Y, то доступное подключение будет только по схеме звезда.
Схема △ даёт мощность на выходе до 70 процентов, значение пусковых токов доходит до максимальной величины. А это может испортить двигатель. Данная схема является единственным вариантом для работы от российских электросетей зарубежных асинхронных двигателей с мощностью 400 — 690 вольт.
Поэтому выбирать правильное соединение или переключение, необходимо учитывая особенности электрической сети, силовой мощности электродвигателя. В каждом случае следует ознакомиться с техническими характеристиками мотора и оборудования, для которого он предназначен.
В чем различия этих соединений

Разница между этими способами заключается в условиях пуска, рабочей мощности подключенного двигателя. При соединении клемм электродвигателя типа «звезда» весь процесс работы проходит более плавно, мягко. Однако техника не способна выйти на максимальную рабочую мощность, заявленную сопутствующей документацией. Также при больших пусковых нагрузках такой способ подключения способен повредить силовой агрегат.
Соединение «треугольник» для электродвигателя является возможностью достижения наивысшего показателя КПД. Агрегат развивает максимальную мощность, указанную в документации. Отрицательным моментом являются большие пусковые токи. Для повышения плавности запуска в данном варианте применяется пусковой реостат, позволяющий компенсировать этот недостаток «треугольника».
Исходя из типа подключения, мощность агрегата меняется втрое. Если выполняется включение модели, рассчитанной на работу со «звездой» при 380В, необходимо соблюдать именно «звездную» схему. После переключения его на «треугольник» мощность возрастет втрое, вероятность перегорания агрегата практически равна 100%. Однако при обратной ситуации у двигателя просто втрое упадет мощность.
Именно второй вариант применяется в системах запуска электродвигателей. При пуске токовая величина в несколько раз превышает номинальную (показатель может быть кратным 8). Это крайне негативно влияет на состояние сети, а также способно сильно сократить эксплуатационный период подключенного оборудования.































