Коммутационные приборы отключения нагрузки
Если электросистема квартиры или дома разделена на отдельные контуры, рекомендуется каждую линию электроцепи оснащать отдельным автоматическим выключателем, а на выходе устанавливать УЗО.
Однако вариантов подключения гораздо больше, поэтому для начала необходимо понять разницу между УЗО и дифференциальным автоматом, а затем уже производить монтаж.
Автоматические выключатели – модифицированные «пробки»
Когда о многообразии защитных устройств не было и речи, при излишней нагрузке на линию срабатывали «пробки» — простейшие аварийные приборы.
Их функционал усовершенствовали и получили автоматические выключатели, которые срабатывают в двух случаях — при возникновении короткого замыкания и при увеличении нагрузки, близкой к критической.
Конструкция автомата проста: внутри корпуса из прочного технопластика заключены несколько функциональных модулей. Снаружи находится рычаг замыкания/размыкания цепи и крепежный паз для «посадки» на дин-рейку (+)
В одном электрощитке может находиться и один, и несколько выключателей, их количество зависит от числа контуров, обслуживающих квартиру или дом.
Чем больше отдельных линий, тем легче заменять или ремонтировать электроустройства. Для установки одного прибора не нужно отключать всю сеть.
Обязательное условие сборки домашней электросети – подключение автомата. Выключатели быстро срабатывают при перегрузке системы и по причине короткого замыкания. Единственное, от чего они не могут защитить, – токи утечки.
УЗО – устройства автоматической защиты
Именно УЗО является тем прибором, который в автоматическом режиме анализирует силу тока на входе/выходе и предохраняет от токов утечки. По форме корпуса он похож на автоматический выключатель, но работает по иному принципу.
Внутри корпуса размещено рабочее устройство – сердечник с обмотками. Магнитные потоки двух обмоток направлены в противоположные стороны, что создает баланс. Таким образом, магнитная сила в сердечнике сводится к нулю.
Как только происходит ток утечки, появляется разница значений магнитных потоков – выходная величина уменьшается. В результате взаимодействия потоков срабатывает реле и разрывает цепь. Временной интервал срабатывания в пределах 0,2-0,3 сек. Этого времени достаточно, чтобы спасти человеческую жизнь.
Внешними отличительными чертами является наличие дополнительных клемм (у автомата по 1 штуке сверху и снизу), кнопка тестирования, более широкая лицевая панель, другая маркировка (+)
На корпусе можно увидеть маркировку 10 … 500 мА. Так обозначается номинальная сила тока утечки. Для домашнего применения обычно выбирают УЗО с показателем 30 мА.
Приборы с обозначением 10 мА могут пригодиться, если отдельный контур выведен на детскую комнату или в санузел, где наблюдается повышенный уровень влажности.
УЗО предохраняет от токов утечки, но бесполезно при усиленной нагрузке на провода, а также ничем не поможет при коротком замыкании. По этой причине два устройства – УЗО и автоматический выключатель – всегда монтируют в паре.
Только вместе они обеспечат полноценную степень защиты, которая обязательно должна присутствовать в каждой бытовой электросистеме.
Дифференциальный автомат – максимальная защита
Когда мы говорим о том, чем принципиально отличается УЗО от дифференциального автомата, то имеем в виду не отдельно установленный прибор УЗО, а пару «УЗО + выключатель».
Автоматический выключатель дифференциального тока (АВДТ), по своей сути, и есть эта пара, но объединенная в одном корпусе.
Таким образом, он сразу выполняет три главные функции:
- защищает от токов утечки;
- предотвращает перегрузку линии;
- моментально срабатывает при коротком замыкании.
Несмотря на небольшие размеры, прибор действует эффективно и оперативно, но при одном условии – если он выпущен под надежной, зарекомендовавшей себя маркой.
Если не знать нюансов устройства и условных обозначений, размещенных на корпусе, дифавтомат можно легко спутать с УЗО. Одна из подсказок – маркировка АВДТ (+)
В технической документации, которая обязательно прилагается к устройству, перечислены его характеристики. Обозначение наиболее важных показателей напечатано на корпусе с лицевой стороны.
Кроме маркировки наименования, здесь указан номинальный ток нагрузки и ток утечки. Единицы измерения те же, что и у простых автоматов – мА.
С первого взгляда может показаться, что появление дифавтомата полностью перечеркивает существующую изначально схему «выключатель + УЗО». Однако существует множество нюансов, регулирующих выбор того или иного решения, и в итоге обе схемы установки являются актуальными и востребованными.
Плюсы и минусы УЗО
Положительными свойствами являются:
Трехфазные УЗО и дифавтомат
При монтировании УЗО совместно с автоматическим выключателем можно легко понять причину срабатывания механизма. В случае если УЗО сработает, это говорит о наличии неисправности или утечки тока в электросети или в самих электроприборах. Ежели, произойдет отключение автомата, стоящего совместно с УЗО, то это свидетельствует о высокой нагрузке на защищаемой линии или возникновении короткого замыкания.
При поломке защитных устройств, для ликвидации неисправности достаточно поменять только один испорченный механизм для дальнейшей работы электрической системы.
Также необходимо помнить о том, что УЗО бывает двух видов, это следует учитывать при выборе, так как одно из них для работы нуждается в дополнительном питании. Вследствие этого, если автомат сработает и обесточит всю линию, то электронное УЗО уже не сможет функционировать, так как нет дополнительного источника питания.
Минусами устройства защитного отключения являются:
УЗО нуждается в добавочной защите. В этой роли выступает автоматический выключатель. Такой тандем занимает больше место в главном щитке. Вследствие этого монтаж будет более трудоемким. Потому что при установке УЗО, необходимо предварительно присоединить фазный провод к автомату. И только потом запитать перемычку от него и нулевой проводник на входные клеммы УЗО.
Устройство защитного отключения срабатывает лишь, когда в сети возникает утечка. При этом УЗО способно защищать человека от поражения электрическим током, а также электрическую линию. Ежели в электролинии возникла высокая нагрузка или короткое замыкание в этом случае она остается незащищенной и продолжает греться, что приводит к плавлению электропроводки, а вследствие, и к ее возгоранию.
Дело в том, что УЗО не выполняет функций по обеспечению сохранности электрической цепи. Если неполадка связана с перегрузкой или коротким замыканием. При одновременном использовании электроприборов, обладающих большой мощностью, УЗО не сработает. При этом электролиния будет греться и перегорит вместе с данным механизмом, если не установлена дополнительная защита. Поэтому и устанавливается УЗО вместе с автоматическим выключателем. УЗО защищает от утечки тока, а автомат — от высокой нагрузки и короткого замыкания.
Конструктивное исполнение
Обычное исполнение УЗО дифавтоматов предусматривает двухполюсное подключение. Любое из этих устройств обязательно подключается к фазовому и нулевому проводам. Все варианты устройств достойных производителей имеют двухмодульный вариант. Существуют одномодульные дифференциальные выключатели, смысл существования которых в экономии места.
В связи со сложностью реализации электромеханической схемы расцепления, подобные устройства содержат электронные схемы управления низкого качества. При проекте или переоснащении распределительного щитка использовать одномодульные дифавтоматы не рекомендуется.
А теперь будем разбираться, чем отличается дифференциальный автомат или узо по внешним признакам
Основных внешних отличий четыре:
- маркировка по номинальному току;
- электрическая схема;
- название- оттиск на корпусе устройства;
- сокращенная надпись на устройстве.
Что ж, начнем с первого: одно из отличий узо от дифавтомата это маркировка по току. Основные характеристики УЗО это номинальный ток в амперах и установка тока утечки. Такие характеристики являются основными и указываются на корпусе прибора, т.е. на лицевой панели.
Основные характеристики автоматического выключателя – это номинальный ток и время – характеристика скорости срабатывания при перегрузке. Обозначается эта характеристика буквенным номиналом перед номинальным током. Естественно, если в конструкции дифавтомата присутствует УЗОи автоматический выключатель, то и маркировки этих приборов должны быть на корпусе дифавтомата.
Так оно и есть. В нашем случае если на корпусе указана только цифра, например 16A – это УЗО. Самый большой ток, который УЗО может выдерживать продолжительное время, сохраняя при этом свою стабильную работоспособность и защитные функции. Отражается на передней панели. Значение номинального тока, которое, определяется сечением используемых проводов и контактов внутри прибора УЗО и конструкцией его силовых контактов.
Если на лицевой панели прибора перед цифрой стоит еще буквенное обозначение, например B, C или D (пример C16), то это не что иное как дифференциальный автомат.
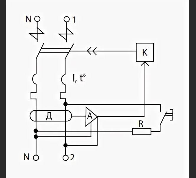
Теперь перейдем к электрической схеме. Для непосвященного человека данные схемы – «темный лес», поэтому не будем вдаваться в подробности, что именно там изображено. Остановимся только на главных моментах.
На схеме УЗО – основновные элементы работы прибора: дифференциальный трансформатор обозначается овалом, реагирующий на токи утечки и размыкающее электромеханическое реле.
На схеме дифавтомата, помимо обозначений, которые имеются на УЗО, добавлены еще обозначения теплового и электромагнитного разъединителей, реагирующих на ток перегрузки и на короткое замыкание.
Теперь взглянув на схемы этих двух приборов, Вы без труда определите, что перед Вами находится, и с легкостью разберетесь, чем отличается УЗО от дифференциального автомата.
УЗО и дифференциальный АВ: какой из этих приборов выбрать?
Итак, чем отличается УЗО от дифавтомата, мы разобрались. Теперь перейдем к вопросу, который часто задают на форумах: «А что лучше – УЗО или же диф?» Действительно, учитывая то, что АВДТ представляет собой два устройства в комплексе, обеспечивает надежную защиту сети от утечек, перегрузок и сверхтоков КЗ, при этом не нуждаясь в дополнительных устройствах, можно прийти к выводу, что в любом случае нужно ставить дифавтомат. Но это не совсем так. Разберемся с этим подробнее.
Что касается цены, то АВДТ стоит дороже, чем устройство защитного отключения. Однако суммарная стоимость УЗО и АВ выше, чем у дифференциального автоматического выключателя. В этом плане покупка последнего выгоднее.
По надежности срабатывания эти приборы одинаковы. Отличаться могут лишь устройства разных производителей. Аппараты российского производства нельзя назвать плохими, но все же они уступают большинству зарубежных аналогов по времени срабатывания, да и качество материала, из которого изготовлена корпусная часть отечественных изделий, похуже. Естественно, что цена импортных приборов выше, чем у тех, которые произведены в России.

Теперь поговорим о недостатках, свойственных АВДТ как комбинированному прибору. Если УЗО и защитный автомат установлены по отдельности, то в случае неполадок в цепи срабатывает одно из них: при утечке – ВД, а при перегрузке или же возникновении короткого замыкания – АВ. Это значительно облегчает поиск и устранение неисправности. Если же сработал дифавтомат, то придется потратить немало времени, чтобы выяснить причину его отключения. Правда, с учетом этой особенности некоторые современные модели АВДТ комплектуются индикаторами срабатывания, позволяющими установить, из-за чего произошло отключение устройства.
Еще одна возможная неприятность – поломка. Ломаться может любая техника, защитные аппараты – не исключение. Если выйдет из строя одно из устройств в цепочке УЗО-АВ, его замена обойдется дешевле, чем установка нового дифавтомата. При этом прийти в негодность может одна из частей АВДТ, а менять придется весь прибор. Поэтому, выбирая между этими устройствами, нужно учитывать стабильность сети и риск возможных неполадок.
Что касается удобства монтажа, то АВДТ в этом плане предпочтительнее – установить его в распределительном щите проще и быстрее, чем два аппарата.
Возможные ошибки при подключении УЗО и дифавтоматов на видео:
Что лучше установить в электрощит
Что такое «автомат»
Итак, давайте разбираться. Помните выражение «выбило пробки»? В старых советских электрощитах устанавливались автоматические выключатели, которые разрывали сеть при перегрузках. Это базовая защита, которая обеспечивает отключение электроэнергии при появлении в проводке короткого замыкания или нагрузки, превышающей параметры «пробки».
В современных сборках также используются автоматические выключатели с аналогичным типом реакции. Однако требования к безопасности выросли, а вместе с этим появились и модифицированные компоненты для защиты. Поэтому теперь «пробки» могут не только отключать электричество, но еще и обнаруживать токи утечки — такие называются УЗО и дифференциальными автоматами.
Что такое УЗО

УЗО — устройство защитного отключения, которое реагирует на появление в сети дифференциального тока.Простыми словами, это дополнительный электроприбор, установленный в разрыв электроцепи на щитке, который постоянно измеряет ток утечки и при минимальном отклонении от нулевого значения инициирует автоматическое отключение.
Что такое дифавтомат

Дифференциальный автомат — это более сложное устройство, которое объединяет в себе функционал УЗО и обычного автомата. Он также может реагировать на токи утечки, но еще защищает электрическую сеть от короткого замыкания.При возникновении перегрузки в цепи его «выбивает».
Как работает УЗО и дифавтомат
Представьте, что вы включили утюг, который работает без проблем, но, как говорят, «бьется» током. Это значит, что в его конструкции имеются неисправности. Например, где-то перетерлась изоляция, и при попадании влаги из парогенератора подошва утюга может находиться под напряжением. Соприкоснувшись с нею, человек может получить удар током. В этот момент условный утюг будет потреблять не только положенные ему 5, 8 или 10 А, а на несколько единиц больше энергии. Это происходит, потому что дополнительный ток проходит не только через тэны утюга, но еще и в «землю» через человека.
Так вот, именно УЗО или дифавтомат могут распознать это и прекратить подачу электричества. Для этого система измеряет уходящий ток, а затем приходящий. В исправной цепи эти значения должны быть одинаковыми. Например, ушло 8 А, пришло тоже 8 А. Но, если приходящий ток оказывается немного выше уходящего, считается, что в сети есть утечка — ушло 8 А, а пришло 8,05 А.
Чем УЗО отличается от дифавтомата
По факту, УЗО — это один из компонентов дифференциального автомата. Поэтому УЗО и дифавтомат выполняют одинаковую работу, однако дифавтомат обладает дополнительными функциями. А именно, он позволяет разрывать сеть не только при появлении утечки тока, но также из-за перегрузки. То есть, выполняет роль тех самых «пробок», о которых мы вспоминали в начале.
Например, если вы включили неисправный утюг со внутренним замыканием, УЗО будет подавать ток на него до тех пор, пока потребление не достигнет предельного значения для самого УЗО или пока не оплавится розетка. Второе случится вероятнее всего, особенно в домах со старой проводкой.
Так вот, дифференциальный автомат мгновенно распознает резкое увеличение нагрузки выше паспортного значения и автоматически разрывает цепь.
Что лучше — УЗО или дифавтомат?
При верном подключении оба варианта имеют право на существование. Однако с точки зрения удобства использования и стоимости монтажа есть существенная разница. Например, дифференциальный автомат стоит дороже, однако он сразу заменяет собой и УЗО, и простые автоматы. При этом его проще установить в щиток и подключить, так как монтаж не отличается от установки обычных автоматов, а габариты оказываются меньше, чем у УЗО с отдельными выключателями.
Freepik/pvproductions
Подключение

Но при монтаже дифференциального выключателя не надо думать, как ставить УЗО, подключить до или после автомата. Вообще-то, большинство специалистов рекомендуют устанавливать сначала автоматический выключатель, затем дифференциальный.
Что касается УЗО, то здесь возможно два варианта. Если УЗО ставят на несколько групп потребителей, то оно идет первым, а за ним уже автоматические выключатели на каждую группу. Если одну линию защищает одно УЗО и один автомат, то автомат идет первым.
Еще один момент, который нужно учитывать при выборе между дифференциальным автоматом и УЗО+ автомат. Это надежность устройств. Как известно, чем проще устройство, тем оно надежнее. В этом отношении дифавтомат проигрывает.
Итак, основная разница между дифавтоматом и УЗО состоит в их функциях, маркировке, стоимости, способе подключения и занимаемом месте в щитке. Что использовать лучше, решает каждый собственник самостоятельно. Главное, правильно подключить все приборы и обеспечить надежную защиту от пожара или удара током.
Разница
В чем же разница между УЗО и дифавтоматом? Оба агрегата отличаются друг от друга сразу по двум параметрам: основному назначению и схеме подключения проводов в щитке. Также есть ряд визуальных особенностей (маркировка и т.п.).

Назначение
Дифавтомат (АВДТ — сокращение, применяемое в электрике) — это коммутационное устройство, защищающее линии проводки от перегрузок в сети и коротких замыканий. Помимо этого, он измеряет ток утечки и отключает нагрузку.
В свою очередь устройство защитного отключения ограждает исключительно от токов утечки, что отражается на сферах его применения.

Схема
Обычно на лицевой панели прибора изображена схема конкретного изделия. По чертежу можно узнать:
- для какой сети предназначен агрегат;
- электронный он или электромеханический;
- правильный способ подключения.

На этой схеме (фото выше) показан пример электронного 2-полюсного АДВТ, она показывает, как необходимо подключать провода к дифференциальному автомату в щитке.
Обозначение АДВТ на однолинейной схеме выглядит иначе и более упрощенно.

Визуально
Внешне дифавтомат больше похож на УЗО, чем на привычный автомат, из-за этого их и временами и путают.
На фото ниже изображен 2-полюсной АДВТ номиналом 25А с током утечки 30 мА. На лицевой панели прибора находятся:
- рычажок включения/отключения;
- кнопка (Тест) проверки работоспособности;
- индикатор состояния;
- характеристики;
- изображена схема (не всегда).

У разных производителей внешний вид прибора может отличаться. Ниже для сравнения представлены несколько моделей обоих устройств от самых именитых брендов:
Legrand;

Schneider;

IEK;

TDM.

Маркировка
На качественном приборе должны быть указаны все основные характеристики (фото ниже). Благодаря маркировке можно легко понять дифавтомат или УЗО изображен на картинке. Если перед цифрами номинала стоит латинская буква (например, С25, как на фото ниже), то это дифференциальный автомат.

Для сравнения ниже представлено устройство защитного отключения без подобной маркировки.

Внешние отличия модулей УЗО и дифавтомата: 3 принципа
Как отличить УЗО, дифавтомат и автоматический выключатель по назначению: самый главный принцип
Надежность и ценовые характеристики
Если сравнивать эти устройства по показателям надежности, то они находятся примерно на одном уровне. Большое значение имеет страна-производитель. Импортные аналоги выигрывают по таким параметрам, как прочность корпуса, время срабатывания устройств и качество механических элементов.
Дифференциальные автоматы имеют чуть лучшие показатели надежности, чем УЗО за счет меньшего количества соединений в общей цепи. К тому же они имеет меньшую цену, чем качественный комплект УЗО с автоматическим выключателем.
Для квартиры не имеет особого значения, что лучше установить — УЗО или дифавтомат. И первый и второй вариант обеспечит безопасность использования электрической энергии.
Для частных домов с большими площадями лучше иметь несколько линий распределения. Проводку с большим количеством источников потребления тока и высокой нагрузкой можно подключить кдифавтомату. Линию освещения и группы розеток лучше подсоединить к комплекту УЗО с автоматическим выключателем. Принять решение, какому устройству отдать предпочтение, личное дело каждого.
Рекомендуем так-же посмотреть интересное видео-сравнение от эксперта:
Как проверить работоспособность дифференциального автомата
УЗО. встроенное в дифавтомат, предназначено для сохранения жизни человека. Очень важна уверенность в исправности устройства, его срабатывании в нужный момент.

Для имитации внештатной ситуации, существуют различные методы проверки прибора:
Каждый дифференциальный автомат снабжен проверочной кнопкой “Test”. Самый простой и безопасный способ, не требующий дополнительных навыков. Для реализации схемы с кнопкой, производитель установил в устройство резистор нужного номинала. При ее нажатии ток проходит через сопротивление, имитируя утечку и дифференциальный автомат размыкает сеть. Недостатком метода является, невозможность контроля прибора во время покупки, кнопка “Test” работает только при подключенном напряжении. Многие специалисты указывают на еще один существенный недостаток, при покупке неоригинального товара, кнопка тест срабатывает всегда, вне зависимости от работоспособности дифавтомата. В некоторых случаях, даже при отсутствии напряжения.
Проверка дифференциального автомата с помощью батарейки. Очень полезный метод во время приобретения устройства, не требующий подключения к сети 220 В. Для его реализации необходимо к обесточенному дифавтомату, подсоединить два провода, один на вход, другой на выход. Противоположные концы кабеля подсоединить к плюсу и минусу 1,5 В батарейки. При подключении элемента питания, дифференциальный автомат размыкает цепь. Устройства класса “А”, срабатывают всегда. Дифавтоматы “АС”, требуют определенной полярности и в случае неудачной попытки, необходимо поменять местами провода на батарейке.
С помощью простой схемы из лампочки и резистора. Требует некоторых навыков и подойдет не всем, но с его помощью, проверяется устройство на каждой розетке в цепи дифавтомата. Для начала, необходимо рассчитать резистор по формуле R=U/I, где R – номинал сопротивления, U – напряжение в сети, I – сила тока в цепи (например устройство со срабатыванием при утечке 30 мА). Получаем R = 220 В / 0,030 А = 7,33 кОм. Далее соединяем последовательно резистор и лампочку. Один конец провода прикладываем к фазе, другой – к заземлению или нулю. Работоспособное устройство должно сработать.
Самый точный метод проверки тока утечки – с помощью мультиметра. К предыдущей схеме, в разрыв цепи, необходимо добавить диммер и мультиметр с функцией миллиамперметра. Увеличивая плавно мощность, с помощью регулятора, измерительный прибор отображает реальные значения тока в цепи. При срабатывании дифференциального автомата, мультиметр покажет точные показатели отключения устройства.
Схема включения УЗО, обозначение УЗО на схеме, схема подключения однофазного и трехфазного УЗО

Установка УЗО значительно повышает уровень безопасности при работе на электроустановках. Если УЗО обладает высокой чувствительностью (30 мА), то при этом обеспечивается защита от прямого контакта (прикосновения).
Тем не менее, установка УЗО не означает от выполнения обычных мер предосторожности при работе на электроустановках. Установите УЗО на панели или корпусе
Подключите оборудование в точном соответствии со схемой
Включите все нагрузки, подключенные к защищаемой сети
Подключите оборудование в точном соответствии со схемой. Включите все нагрузки, подключенные к защищаемой сети
Установите УЗО на панели или корпусе. Подключите оборудование в точном соответствии со схемой. Включите все нагрузки, подключенные к защищаемой сети.
Срабатывает УЗО
Если УЗО срабатывает, выясните, какое устройство является причиной срабатывания, путем последовательного отключения нагрузки (отключаем по очереди эл. оборудование и смотрим результат). При обнаружении такого устройства его необходимо отключить от сети и проверить.
Если электрическая линия имеет очень большую длину, обычные токи утечки могут быть достаточно велики. В этом случае имеется вероятность ложных срабатываний. Чтобы избежать этого, необходимо разделить систему, по крайней мере, на два контура, каждый из которых будет защищен своим УЗО.
Можно расчитать длинну электрической линии.
При невозможности определения документальным способом суммы токов утечки проводки и нагрузок, можно пользоваться примерным расчетом (в соответствии с СП 31-110-2003), принимая ток утечки нагрузки равным 0,4мА на 1А потребляемой нагрузкой мощности и ток утечки электросети равным 10мкА на один метр длины фазового провода электропроводки.
Пример расчета УЗО
Для примера рассчитаем УЗО для электроплиты, мощностью 5 кВт, установленную на кухне малогабаритной квартиры.
Примерное расстояние от щитка до кухни может составлять 11 метров, соответственно расчетная утечка проводки составляет 0,11мА. Электроплита, на полной мощности, потребляет (приближенно) 22.7А и обладает расчетным током утечки 9,1мА.
Таким образом, сумма токов утечки данной электроустановки составляет 9,21мА. Для защиты от токов утечки можно использовать УЗО с номиналом тока утечки 27,63мА, что округляется до ближайшего большего значения существующих номиналов по диф.
току, а именно УЗО 30мА.
Важно
Следующим шагом, является определение рабочего тока УЗО. При указанном выше максимальном токе, потребляемым электроплитой, можно использовать номинал (с небольшим запасом) УЗО 25А, или с большим запасом – УЗО 32А.
Таким образом мы расчетно определили номинал УЗО, которое можно использовать для защиты электроплиты: УЗО 25А 30мА или УЗО 32А 30мА. (надо не забыть защитить УЗО автоматическим выключателем 25А для первого номинала УЗО и 25А или 32А для второго номинала).
Схема подключения УЗО
Схема подключения УЗО рассмотрим на примере. На фото. 1 показан фрагмент распределительного шкафа.
Фото. 1 Схема подключения трехфазного УЗО с автоматическим выключателем (на фото цифра1 УЗО, 2- автоматический выключатель) и однофазных УЗО (3).
УЗО не защищает от токов короткого замыкания, поэтому его устанавливают в паре с автоматическим выключателем. Что ставить раньше УЗО или автоматический выключатель в данном случае не принципиально. Номинал УЗО должен быть равным или немного больше наминала автоматическо выключателя. Например, автоматический выключатель 16 Ампер, значит, УЗО ставим 16 или 25 А.
Как видно на фото. 1 на трехфазное УЗО (цифра 1) подходят три фазных и нулевой проводник, а после УЗО подключен автоматический выключатель (цифра 2). Потребитель будет подключаться: фазные проводники (красные стрелки) с автоматического выключателя; нулевой проводник (синяя стрелка) – с УЗО.
Под цифрой 3 на фото показаны дифференциальные автоматы , соединенные сборной шиной, принцип работы диф. автомата такой же, как у УЗО, но он дополнительно защищает от токов короткого замыкания и не требует дополнительной защита от КЗ.
А подключение, что у УЗО, что у диф. автоматов одинаковое.
Подключаем к клемме L фазу, к N ноль (обозначения нанесены на корпусе УЗО). Потребители подключаются также.
Схема УЗО в квартире
Ниже приведена схема использования УЗО в квартире, для дополнительной защиты от поражения электрическим током.
Рис. 1 Схема УЗО в квартире.
В данном случае УЗО ставится до счетчика, на всю группу автоматических выключателей, чем обеспечивается дополнительная защита от поражения электрическим током и возникновения пожара.
Зачем нужны средства защитного отключения
Известно, что любой материал по истечении времени изнашивается и приходит в негодность. Изолирующие свойства как домашней проводки, так и внутренних проводов электроприборов, со временем теряются. Возникающие в результате утечка электроэнергии, оголение проводов, окисление могут привести в итоге к самым непредсказуемым последствиям.

Также не исключено возникновение коротких замыканий из-за неисправности домашней электропроводки или электроприборов либо из-за халатности.
При отсутствии защитных устройств, все эти факторы могут привести к непоправимой беде или ущербу.
Чтобы обезопасить себя от неприятностей, следует установить электрозащитные устройства: дифавтомат (дифференциальный автомат) или УЗО (устройство защитного отключения).
Прежде чем выбрать, какое защитное устройство установить, следует понять, что они собой представляют, как работают, чем отличается УЗО от дифференциального автомата, что выбрать предпочтительнее, ведь разница между УЗО и дифавтоматом значительна.




















