Краткое резюме

- Сечение является наиболее простой формой отображения внутреннего устройства предмета — при этом плоскость сечения всегда одна для каждого нового сечения.
- Сечение предмета отображает лишь то, что явно попадает в её плоскость, а разрез — всё это плюс то, что располагается от наблюдателя за секущей плоскостью (после мысленного удаления той части объекта, что расположена ближе к наблюдателю).
- Сечение является неотъемлемой частью изображения разреза, т.е. разрез — более сложная (составная) форма отображения информации об объекте.
- В отличие от сечения, локальный (местный) разрез может рассекать интересующий предмет лишь частично — там, где нужно подчеркнуть его внутреннее устройство.
- Помимо самых простых (одноплоскостных) разрезов существуют разрезы сложные: один такой разрез может объединять в себе общее изображение, созданное сразу несколькими секущими плоскостями, сгруппированными определённым образом (так называемые ступенчатые/ломаные разрезы).
https://youtube.com/watch?v=d_ZK1Zh3F00
Разрезы
Выявление фоpмы внутpенних повеpхностей пpедмета пpи помощи штpиховых линий значительно затpудняет чтение чеpтежа, сoздает пpедпосылки для непpавильного его толкования, усложняет нанесение pазмеpов и условных обозначений. Поэтому для выявления внутpенней (невидимой) конфигуpации пpедмета пpименяют условные изобpажения – pазpезы и сечения.
Разрез – изображение предмета, мысленно рассеченного одной или несколькими плоскостями. На разрезе вычерчивают то, что получается в секущей плоскости (фигуру сечения), и то, что видимо за ней.
Принцип выполнения разрезов заключается в том, что условно представляют отсеченной и отнятой одну из частей детали так, что становится ясно внутреннее очертание оставшейся части детали.
При этом линии невидимого контура станут видимыми и будут изображаться сплошными основными линиями.
Классификация разрезов
В зависимости от числа секущих плоскостей разрезы бывают
- простыми, образованными одной секущей плоскостью
- сложными, образованными несколькими секущими плоскостями.

Рисунок 11.4 – Классификация разрезов
Простые разрезы
В зависимости от положения секущей плоскости относительно горизонтальной плоскости проекций простые разрезы делятся на:
- a. горизонтальные – секущая плоскость параллельна горизонтальной плоскости проекций (рис. 11.7);
- b. вертикальные – секущая плоскость перпендикулярна горизонтальной плоскости проекций (рис. 11.5 и 11.6 );
- c. наклонные – секущая плоскость составляет с горизонтальной плоскостью проекций угол, отличный от прямого.
Вертикальный разрез называется фронтальным, если секущая плоскость параллельна фронтальной плоскости проекций, профильным, если секущая плоскость параллельна профильной плоскости проекций.

Рисунок 11.5 – Фронтальный разрез

Рисунок 11.6 – Профильный разрез

Рисунок 11.7 – Горизонтальный разрез
Положение секущей плоскости не отмечают и pазpез надписью не сопpовождают, если одновpеменно выполняются тpи условия:
- а) секущая плоскость совпадает с плоскостью симметpии пpедмета в целом;
- б) pазpез pасположен в непосpедственной пpоекционной связи с соответствующим изобpажением;
- в) pазpез является гоpизонтальным, фpонтальным или пpофильным

Рисунок 11.8 – Фронтальный и местный разрез
Заказать чертежи
Веpтикальный pазpез
Веpтикальный pазpез, когда секущая плос-кость не паpаллельна фpонтальной или пpофильной плоскостям пpоекций.

Рисунок 11.9 – Веpтикальный pазpез
Веpтикальный наклонный pазpез допускается выполнять с повоpотом до положения, соответствующего пpинятому для данного пpедмета на главном изобpажении. В этом случае к обозначению должен быть добавлен знак «повернуто»

Сложные разрезы

Рисунок 11.10 – Сложный ступенчатый разрез
Сложный ломаный разрез
- При ломаных разрезах секущие плоскости условно повертывают до совмещения в одну плоскость, при этом направление поворота может не совпадать с направлением взгляда.
- При повороте секущей плоскости элементы предмета, расположенные за ней, вычерчивают так, как они проецируются на соответствующую плоскость, до которой производится совмещение.

Рисунок 11.11- Сложный ломаный разрез рычага

Сечения
Сечением называется изобpажение фигуpы, получающейся пpи мысленном pассечении пpедмета одной или несколькими плоскостям.
Hа сечении показывают только то, что получается непосpедственно в секущей плоскости.

Рисунок 11.12 – Сечение вынесенное, наложенное, в разрыве
Контур вынесенного сечения изображают сплошными основными линиями, а контур наложенного сечения – сплошными тонкими линиями. При чем контур изображения в месте расположения наложенного сечения не прерывают.
Условности и упрощения

Рисунок 11.12 – Условности и упрощения на деталях

Рисунок 11.13 – Условности и упрощения на сборочных чертежах и деталях
Если изобpажение пpедмета является симметpичной фигуpой, то допускается вычеpчивать половину изобpажения или немного более половины.
Допускается изобpажать в pазpезе отвеpстия, pасположенные на кpуглом фланце, когда они не попадают в секущую плоскость.

Рисунок 11.14 – Условности для симметpичных деталей
| Рекомендую подробно изучить предметы: |
|
| Ещё лекции с примерами решения и объяснением: |
- Геометрические тела
- Комплексный чертеж
- Определение видимости
- Конструктивное отображение пространства
- Позиционные задачи
- Методы преобразования эпюра Монжа
- Касательные плоскости
- Пересечение поверхностей вращения плоскостью
Терминологический аппарат
Разрез
– изображение, полученное в процессе мысленного рассечения деталей секущей плоскостью. Обыкновенный разрез отличается от сложного количеством секущих плоскостей: в первом случае она одна, во втором несколько.
Важно! Работая с чертежом, не забывайте учитывать то, чем отличается сечение от разреза, особенности изображения и правила обозначения разрезов. Это очень важно.. Сечение
необходимо для изображения поперечной формы детали
Чтобы отразить сечение, представляют некую секущую плоскость, которая условно рассекает деталь в определенном месте. В результате получается срез, полностью отражающий необходимую форму
Сечение
необходимо для изображения поперечной формы детали. Чтобы отразить сечение, представляют некую секущую плоскость, которая условно рассекает деталь в определенном месте. В результате получается срез, полностью отражающий необходимую форму.

Обратите внимание! Сечение отражает только участок, полученный в результате взаимодействия с секущей плоскостью, не более. Это главное, чем отличается сечение от разреза.
Разрез и сечение в чертежах: основные отличия
Разрез — это плоское изображение, которое представляет собой вид объекта, полученный путем разделения его плоскостями на две части. Он показывает внутреннюю структуру объекта, его слои, элементы и детали, которые невозможно увидеть в обычном виде. Разрез может быть использован для понимания компонентов объекта, его конструкции, связей и размещения. Разрезы отображаются на чертеже с помощью специальной нотации и символов, которые обозначают плоскость разделения и направление самого разреза.
Сечение — это плоское изображение объекта, которое показывает его внутреннюю структуру и форму поперек. Оно получается с помощью разделения объекта плоскостью, перпендикулярной его основной оси. Сечение отображает только то, что находится в пределах плоскости разделения, включая сечение и детали окружающих элементов. Это помогает понять форму и структуру объекта, включая внутренние пустоты, полости и углубления. В чертеже сечение обозначается специальными символами и маркировкой, указывающей направление и тип сечения.
Таким образом, хотя оба понятия — разрез и сечение — могут давать представление о внутренней структуре объекта, они значимо отличаются. Разрез показывает объект, разделенный плоскостью на две части, в то время как сечение дает возможность рассмотреть поперек форму и структуру объекта. Оба вида изображений часто применяются в инженерных чертежах и помогают уточнить детали и элементы объектов масштабного строительства и конструкций.
Выносные элементы
8.1. Выносной элемент используют на чертежах, как правило, для размещения какой-либо части предмета, требующей графического и других пояснений в отношении формы, размеров и иных данных.
В электронных моделях выносные элементы не используют.
Выносной элемент может содержать подробности, не указанные на соответствующем изображении, и может отличаться от него по содержанию (например, изображение может быть видом, а выносной элемент — разрезом).
8.2. При применении выносного элемента соответствующее место отмечают на виде, разрезе или сечении замкнутой сплошной тонкой линией — окружностью, овалом и т.п. с обозначением выносного элемента прописной буквой или сочетанием прописной буквы с арабской цифрой на полке линии-выноски. Над изображением выносного элемента указывают обозначение и масштаб, в котором он выполнен (см. рисунок 42). Значения масштаба — по ГОСТ 2.302.
Рисунок 42
В строительных чертежах выносной элемент на изображении допускается также отмечать фигурной или квадратной скобкой или графически не отмечать. У изображения, откуда элемент выносится, и у выносного элемента допускается также наносить присвоенное выносному элементу буквенное или цифровое (арабскими цифрами) обозначение и название.
8.3. Выносной элемент располагают возможно ближе к соответствующему месту на изображении предмета.
Обозначение разрезов на чертежах
Обозначение разрезов установлено согласно специальной документации и в строительстве определяется системой ГОСТа 2.305-2008. Требования заключаются в различиях между разрезами и сечениями и определяются правилами:
- Линия сечения, проведенная на чертеже, означает положение секущей плоскости.
- Характеристики линии сечения определяется разомкнутым типом, S-1, 5S, длиной 8-20 мм.
- На сложных разрезах дополнительно помечают штрихами места пересечения секущих плоскостей друг с другом.
- Начальный и конечный штрихи обозначают стрелками, указывающими направление взгляда. Стрелки наносят, придерживаясь расстояния от внешнего конца штриха, равного 2-3 мм.
- Размеры стрелок не должны превышать рекомендованные значения.
- Согласно техническим характеристикам, пересечение контуров нанесенного на бумагу изображения штрихами недопустимо.
- Начало, конец и места пересечения линий сечения обозначаются одной и той же буквой русского алфавита, цифрой или символом. Пометка ставится около стрелки, указывающей направление взгляда. В местах пересечения обязательно со стороны внешнего угла.
- Разрезы всегда обозначаются буквенной надписью по типу А-А.
- Фронтальные и профильные разрезы, как правило, изображаются в положении, соответствующем предмету зарисовки.
- Горизонтальная, фронтальная, профильная проекция располагается на месте соответствующего основного вида.
- Допустимо расположение разреза в любом удобном месте на полях чертежей. С поворотом изображения к рисунку добавляется условное обозначение, указывающее угол и направление поворота и пометка «Повернуто».
Как сделать разрез на чертеже в Солид Воркс
В программе Solidworks (СолидВоркс) разрез также создается путем разделения вида линией сечения. Для этого сначала нужно активизировать вид из контекстного меню, затем найти команду «Инструменты» в меню, выбрать «Объекты эскиза», затем выбрать «Линия» и «Инструменты эскиза». На модели проводят линию, выделяют ее, нажимают на иконку «Вставка» и выбирают «Создать линию сечения». Направление взгляда в Солид Воркс также легко поменять двойным нажатием. Затем выполняют команду «Вставка”, выбирают «Чертежный вид», затем «Сечение».
Рисунок 8. Как сделать разрез на чертеже в Солид Воркс
Инженерная графика как способ представления информации об окружающих предметах
Сечения/разрезы явным образом входят в состав чертежа — такого вида инженерной графики, где на носителе (бумаге, плёнке, кальке и т.п.) строятся изображения предметов в проекциях по определённым правилам и в масштабе, посредством графических примитивов: точек, отрезков прямых/кривых линий, дополнительных символов и обозначений и т.д.

Любой чертёж предназначен для конечного понимания/интерпретации человеком и должен изготавливаться по стандартизованным правилам, по сути являющимся указаниями по кодированию информации об интересующем предмете с целью минимизации её избыточности. В России формальные требования к чертежам сведены воедино и представлены в соответствующем ГОСТе на документацию.
Сечения и их виды
Под сечением понимается изображение, образуемое при мысленном рассечении интересующего предмета определённым образом ориентированной плоскостью. Если представить предмет «пропитанным краской», а плоскость — реальной и прозрачной, то сечение будет тем «окрашенным следом», которой бы оставил на секущей плоскости сам предмет при рассечении ею. На чертеже получившуюся фигуру сечения явно выделяют косой штриховкой, а сами сечения подразделяют на выносные (вне контура рисунка объекта) и наложенные (поверх соответствующего вида объекта).

Наклонное сечение
Дополнительно на чертеже стрелками задаётся «направление взгляда» и месторасположение секущей плоскости, а буквами — её уникальное наименование. Типично сечения производятся в масштабе, аналогичном основному изображению, в противном же случае явно указывается используемый масштаб. Также различают прямые и косые/наклонные (расположенные под углом) сечения относительно осей координат.

Сечение
Основные положения
4.1. Общие требования к содержательной части чертежа — по ГОСТ 2.109, электронной модели изделия — по ГОСТ 2.052.
4.2. Изображения предметов на чертеже следует выполнять по методу прямоугольного проецирования. При этом предмет предполагается расположенным между наблюдателем и соответствующей плоскостью проекций (см. рисунок 1).

Рисунок 1
4.3. За основные плоскости проекций принимают шесть граней куба; грани совмещают с плоскостью, как показано на рисунке 2. Грань 6 допускается располагать рядом с гранью 4.
4.4. Изображение на фронтальной плоскости проекций принимается на чертеже в качестве главного. Предмет располагают относительно фронтальной плоскости проекций так, чтобы изображение на ней давало наиболее полное представление о форме и размерах предмета.
4.5. В зависимости от содержания изображения разделяют на виды, разрезы, сечения.
Масштаб изображений, расположенных в непосредственной проекционной связи друг с другом на основных плоскостях проекций, принимают за масштаб выполнения документа и записывают в соответствующем реквизите основной надписи (ГОСТ 2.104). Все иные изображения, выполненные на чертеже в ином масштабе, должны иметь о нем указания.
4.6. Для уменьшения количества изображений допускается на видах показывать необходимые невидимые части поверхности предмета с помощью штриховых линий (см. рисунок 3).

Рисунок 2

Рисунок 3
4.7. При выполнении разреза мысленное рассечение предмета относится только к данному разрезу и не влечет за собой изменения других изображений того же предмета. На разрезе показывают то, что получается в секущей плоскости и что расположено за ней (см. рисунок 4). Допускается изображать не все, что расположено за секущей плоскостью, если это не требуется для понимания конструкции предмета (см. рисунок 5).
Рисунок 4
Рисунок 5
4.8. На сечении показывают только то, что получается непосредственно в секущей плоскости (см. рисунок 6).
Допускается в качестве секущей применять цилиндрическую поверхность, развертываемую затем в плоскость (см. рисунок 7).
Рисунок 6
Рисунок 7
4.9. Количество изображений (видов, разрезов, сечений) должно быть наименьшим, но обеспечивающим полное представление о предмете при применении установленных в соответствующих стандартах условных обозначений, знаков и надписей.
Виды разрезов
В чертежах можно использовать различные виды разрезов, чтобы деталь была видна внутри без необходимости разбирать ее или использовать дополнительные средства визуализации. Вот несколько основных видов разрезов.
Прямой разрез — самый простой вид разреза, который делается прямой линией, пересекающей деталь только на одном месте. Этот вид разреза используется, когда необходимо показать деталь только в одной плоскости.
Заходящий разрез — это разрез, который проникает внутрь детали и отображает ее в нескольких плоскостях. В этом виде разреза используются специальные символы, чтобы показать, где разрез заходит внутрь детали и куда он выходит из нее.
Возвратный разрез — это разрез, который возвращается обратно и выходит из детали там же, где и входит в нее. Этот вид разреза может использоваться, когда необходимо показать сложную структуру или взаимосвязь внутри детали.
Полный разрез — это разрез, который делается через всю деталь, показывая все ее внутренние детали и особенности. Этот вид разреза используется, когда необходимо показать все структурные элементы детали и их взаимосвязь.
Выбор конкретного вида разреза зависит от того, какую информацию необходимо показать и с какой целью
Важно помнить, что разрезы — это всего лишь способ визуального представления детали и их выбор должен быть обоснован и соответствовать требованиям проекта
Использование разрезов и сечений в практике
В проектировании и чертежах инженерные разрезы и сечения играют важную роль, помогая представить сложные объекты и конструкции более понятно и наглядно.
Разрезы используются для отображения внутренней структуры объекта или конструкции. Они позволяют увидеть, как выглядит объект после того, как его разрезали плоскостью. Разрезы особенно полезны при проектировании деталей и машин, где множество внутренних элементов могут быть скрыты от внешнего взгляда.
Сечения, с другой стороны, используются для отображения плоскости, которая проходит через объект или конструкцию. Они позволяют увидеть, как выглядит объект сбоку или сверху, а также помогают лучше понять его форму и размеры. Сечения часто используются при проектировании зданий, чтобы показать внутреннюю планировку и расположение комнат.
Использование разрезов и сечений позволяет инженерам и дизайнерам лучше визуализировать свои идеи и коммуницировать с другими специалистами. Они помогают устранить возможные ошибки и несовпадения в проектировании, а также облегчают взаимодействие с производственными рабочими и строителями.
Поэтому, разрезы и сечения являются неотъемлемой частью чертежей и проектирования, обеспечивая понимание и визуализацию сложных объектов и конструкций.
Виды
5.1. Установлены следующие названия видов, получаемых на основных плоскостях проекций (основные виды, рисунок 2):
1 — вид спереди (главный вид);
2 — вид сверху;
3 — вид слева;
4 — вид справа;
5 — вид снизу;
6 — вид сзади.
При выполнении графических документов в форме электронных моделей (ГОСТ 2.052) для получения соответствующих изображений следует применять сохраненные виды.
В строительных чертежах в необходимых случаях соответствующим видам допускается присваивать специальные названия, например «фасад».
Названия видов на чертежах надписывать не следует, за исключением случая, предусмотренного в 5.2. В строительных чертежах допускается надписывать название вида с присвоением ему буквенного, цифрового или другого обозначения.
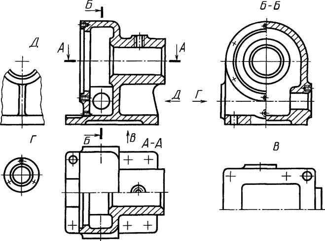
5.2. Если виды сверху, слева, справа, снизу, сзади не находятся в непосредственной проекционной связи с главным изображением (видом или разрезом, изображенным на фронтальной плоскости проекции), то направление проецирования должно быть указано стрелкой около соответствующего изображения. Над стрелкой и над полученным изображением (видом) следует нанести одну и ту же прописную букву (см. рисунок 8).

Рисунок 8
Чертежи оформляют так же, если перечисленные виды отделены от главного изображения другими изображениями или расположены не на одном листе с ним.
Когда отсутствует изображение, на котором может быть показано направление взгляда, название вида надписывают.
В строительных чертежах допускается направление взгляда указывать двумя стрелками (аналогично указанию положения секущих плоскостей в разрезах).
В строительных чертежах независимо от взаимного расположения видов допускается надписывать название и обозначение вида без указания направления взгляда стрелкой, если направление взгляда определяется названием или обозначением вида.
5.3. При необходимости получения на чертеже наглядного изображения предмета применяют аксонометрические проекции по ГОСТ 2.317.
5.4. Если какую-либо часть предмета на чертеже невозможно показать на перечисленных в 5.1 видах без искажения формы и размеров, то применяют дополнительные виды, получаемые на плоскостях, непараллельных основным плоскостям проекций (см. рисунки 9 — 11). В электронных моделях дополнительные виды не применяют.
5.5. Дополнительный вид должен быть отмечен на чертеже прописной буквой (см. рисунки 9, 10), а у связанного с дополнительным видом изображения предмета должна быть поставлена стрелка, указывающая направление взгляда, с соответствующим буквенным обозначением (например, стрелка Б, рисунки 9, 10).

Рисунок 9

Рисунок 10
Когда дополнительный вид расположен в непосредственной проекционной связи с соответствующим изображением, стрелку и обозначение вида не наносят (см. рисунок 11).
Рисунок 11
5.6. Дополнительные виды располагают, как показано на рисунках 9 — 11. Расположение дополнительных видов по рисункам 9 и 11 предпочтительнее.
Дополнительный вид допускается повертывать, но с сохранением, как правило, положения, принятого для данного предмета на главном изображении, при этом обозначение вида должно быть дополнено условным графическим обозначением —
. При необходимости указывают угол поворота (см. рисунок 12).
Несколько одинаковых дополнительных видов, относящихся к одному предмету, обозначают одной буквой и вычерчивают один вид. Если при этом связанные с дополнительным видом части предмета расположены под различными углами, то к обозначению вида условное графическое обозначение
не добавляют.

Рисунок 12
5.7. Местный вид (вид Г, рисунок 8; вид Д, рисунок 13) может быть ограничен линией обрыва, по возможности в наименьшем размере (вид Д, рисунок 13), или не ограничен (вид Г, рисунок 13). Местный вид должен быть отмечен на чертеже подобно дополнительному виду.

Рисунок 13
5.8. Соотношение размеров стрелок, указывающих направление взгляда, должно соответствовать приведенным на рисунке 14.

Рисунок 14










![Глава v. сечения и разрезы [1988 вышнепольский и.с. - техническое черчение с элементами программированного обучения (учебник для средних и проффессионально-технических училищ.)]](https://raznicynet.com/wp-content/uploads/6/e/a/6eaaf585f3b04c298c411b96fb3e60b9.jpeg)



















